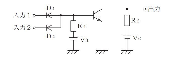
HOME > 伝送交換主任技術者 > 伝送交換主任技術者 線路主任技術者 電気通信主任技術者 電気通信主任技術者 令和7年第2回 電気通信システム問3 2026-02-24 2026-02-02 問題 図に示す論理回路を入出力とも正論理で使用するとき、この回路は( )回路として動作する。 AND NAND OR NOR XOR 解答 2 解説 結論、問題の回路図はNAND回路を示しています。 AND、NOTといった論理回路を実際の電子回路で作成するには、下記のような回路構成になります。 問題の回路図はAND回路とNOT回路の組み合わせとなっています。 Twitter Share Pocket Hatena LINE コピーする -伝送交換主任技術者, 線路主任技術者, 電気通信主任技術者