問題
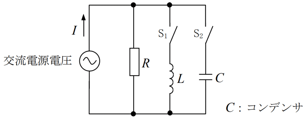
図に示す回路において、スイッチS1のみを閉じたときの電流IとスイッチS2のみを閉じたときの電流Iは、ともに5[A]であった。また、スイッチS1とS2の両方を閉じたときの電流Iは、4[A]であった。抵抗R及びコイルLのリアクタンスXLの値の組合せとして、正しいものを下の番号から選べ。ただし、交流電源電圧は150[V]とする。

| R | XC | |
|---|---|---|
| 1 | 18.2 [Ω] | 30[Ω] |
| 2 | 18.2 [Ω] | 50[Ω] |
| 3 | 18.2 [Ω] | 75[Ω] |
| 4 | 37.5 [Ω] | 50[Ω] |
| 5 | 37.5 [Ω] | 75[Ω] |
解答
4
解説
RLC並列回路の計算
スイッチS1を閉じた場合とスイッチS2を閉じた場合で電流が等しいため、コイルのリアクタンスXLとコンデンサのリアクタンスXCの間には、下記の関係が成り立ちます。
$$\begin{eqnarray} X_L=X_C \end{eqnarray}$$続いて、スイッチを両方閉じたときの合成インピーダンスZ0を求めます。

電流4[A]、電圧150[V]、XL=XCの関係を用いて、上の式をさらに展開します。
$$\begin{eqnarray} Z_0=\frac{150}{4}&=&\frac{RX_LX_C}{\sqrt{X_L^2X_C^2+\left(X_L-X_C\right)^2}} \\ 37.5&=&\frac{RX_C^2}{\sqrt{X_C^4}} \\ 37.5&=&\frac{RX_C^2}{X_C^2} \\ R&=&37.5 [\Omega] \end{eqnarray}$$また、スイッチS2だけを閉じた場合について、合成インピーダンスZ2を求めます。

電流5[A]、電圧150[V]、抵抗R=37.5[Ω]なので、下記のように展開できます。
$$\begin{eqnarray} Z_2=\frac{150}{5}&=&\frac{RX_C}{\sqrt{R^2+X_C^2}} \\ 30&=&\frac{37.5\times X_C}{\sqrt{37.5^2+X_C^2}} \\ 30^2&=&\frac{37.5^2\times X_C^2}{37.5^2+X_C^2} \\ 30^2\left(37.5^2+X_C^2\right)&=&37.5^2X_C^2 \\ \frac{75^2}{2^2}X_C^2-30^2X_C^2-30^2\times\frac{75^2}{2^2}&=&0 \\ \frac{5625-3600}{4}X_C^2--\frac{30^2\times75^2}{4}&=&0 \\ 2025X_C^2-30^2\times75^2&=&0 \\ \left(45X_C-30\times75\right)\left(45X_C+30\times75\right)&=&0 \\ \end{eqnarray}$$XC>0なので、XCは下記のように求められます。
$$\begin{eqnarray} 45X_C-30\times75&=&0\\ 9X_C-6\times75&=&0\\ 3X_C-2\times75&=&0\\ X_C-2\times25&=&0\\ X_C&=&50 \\ \end{eqnarray}$$